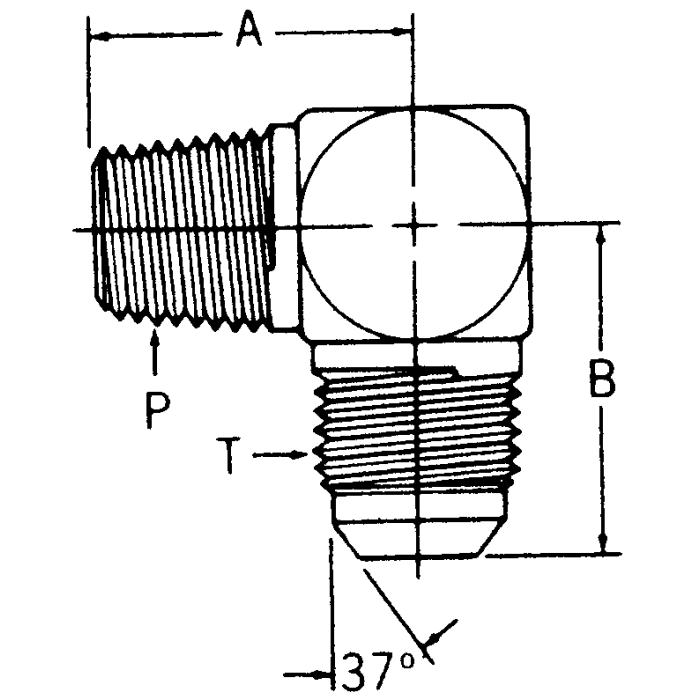
Steel Adapters, Male NPT To Male JIC 37 deg Flare, 90 deg Elbow

Products