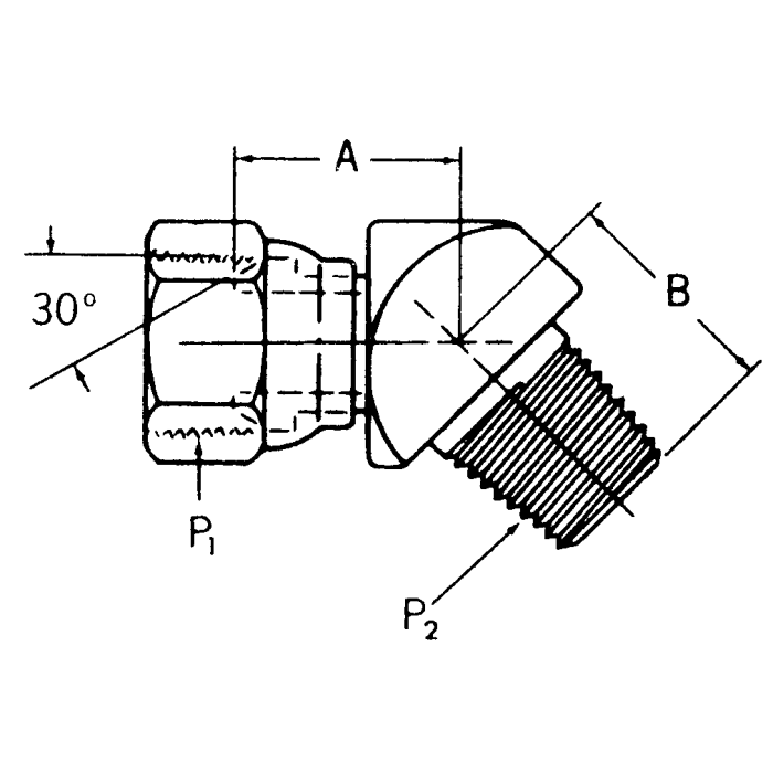
Steel Adapters, Female NPT Swivel To Male NPT, 45 deg Elbow

Products