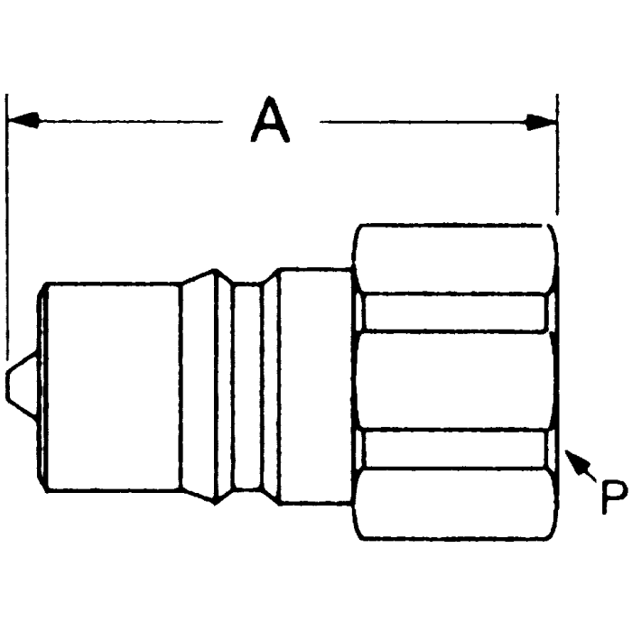
HK Series Industrial Interchange Series B Steel Hydraulic Quick Disconnects, Male Half, Female NPT

Products