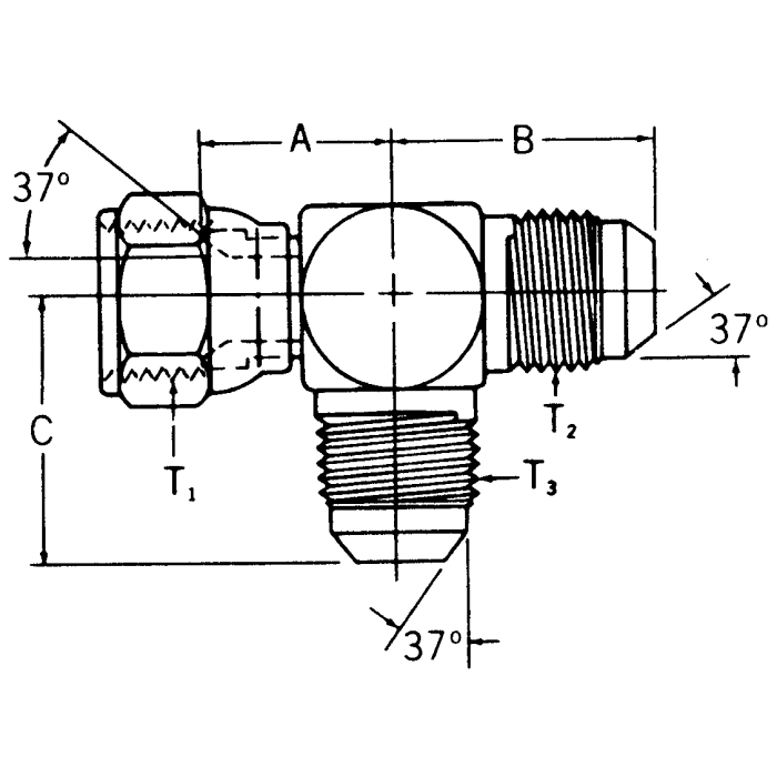
Steel Adapters, Female JIC 37 deg Flare Swivel Run To Male JIC 37 deg Flare Run & Branch, Tee

Products