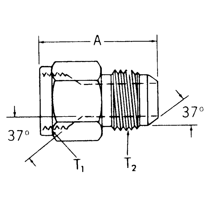
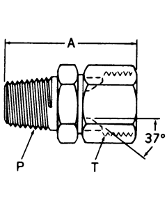
Steel Adapters, Female JIC 37 deg Flare To Male JIC 37 deg Flare, Straight

Products