Miscellaneous Fluid Conveying Parts

Explore our selection of Miscellaneous Fluid Conveying Parts for various hydraulic systems and industrial applications. This category features essential components designed to ensure the efficiency and durability of your hydraulic equipment. Our range includes Polyethylene 1 NPT Tapered Protective Plugs for Pipe Threads, which safeguard threads from damage and contamination. We also offer Polyethylene -20 JIC (1-5/8-12) Protective Threaded Plugs for Flared Fittings, providing reliable protection for your hydraulic connections. For maintenance and cleaning, choose from our Hose/Tube Cleaning Projectiles available in multiple sizes: 0.28 Inch ID, 0.87 Inch ID, and 1.57 Inch ID. These projectiles are designed to effectively remove debris and buildup from hoses and tubes, enhancing system performance. Additionally, our selection includes O-Rings for Bump Tube O-Ring Seal Fittings in various sizes: -06, -08, and -10. These O-Rings ensure a secure and leak-proof seal, crucial for maintaining system integrity. Protective caps are also available, including the Polyethylene -08 JIC / -08 SAE (3/4-16) Protective Threaded Cap for Flared Fittings and the Polyethylene 1-7/16-12 (-16 O-Ring Face Seal) Protective Cap for O-Ring Face Seal Fittings. These caps provide essential protection against contaminants and mechanical damage. Browse our comprehensive range of fluid conveying parts to find the right components for your hydraulic systems. Ensure your operations run smoothly with our high-quality, durable products.
View as List Grid

5 Items

Set Descending Direction
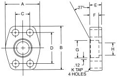
  1. Steel 4-Bolt Flange Adapter, Inch Code 62 Flange, Flat Face Half To Inch Female NPT, Straight
    Steel 4-Bolt Flange Adapter, Inch Code 62 Flange, Flat Face Half To Inch Female NPT, Straight

    Product is currently not available online.
    Please call 800-507-9651 for assistance.

  2. Air Brake Air Chamber Hose Assembly, 1/4 Male Pipe x 1/4 Male Pipe Swivel Adapter x 3/8 Hose
    Air Brake Air Chamber Hose Assembly, 1/4 Male Pipe x 1/4 Male Pipe Swivel Adapter x 3/8 Hose

    Product is currently not available online.
    Please call 800-507-9651 for assistance.

  3. Base Channel For Pipe & Tubing Support Clamps, 48 Inch Long, 1.00 Inch Height, 12 gauge mild steel
    Base Channel For Pipe & Tubing Support Clamps, 48 Inch Long, 1.00 Inch Height, 12 gauge mild steel

    Product is currently not available online.
    Please call 800-507-9651 for assistance.

  4. Steel 4-Bolt Flange Adapter, 1.00 Inch Code 62 Flange, Flat Face Half To 1.00 Inch Female NPT, Straight
    Steel 4-Bolt Flange Adapter, 1.00 Inch Code 62 Flange, Flat Face Half To 1.00 Inch Female NPT, Straight

    Product is currently not available online.
    Please call 800-507-9651 for assistance.

per page