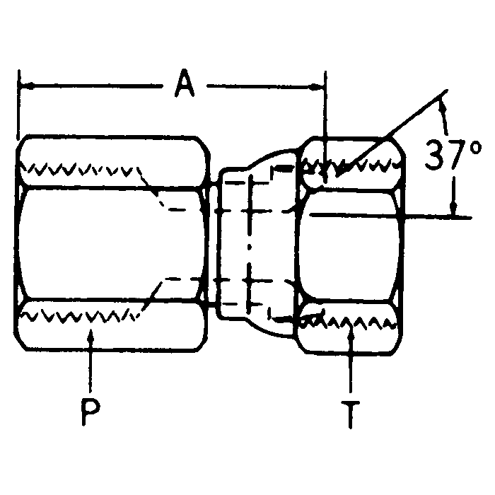
Steel Adapters, Female NPT To Female JIC 37 deg Flare Swivel, Straight

Products