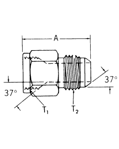
Steel Adapters, Female JIC 37 deg Flare Swivel To Female JIC 37 deg Flare Swivel, Straight

Products