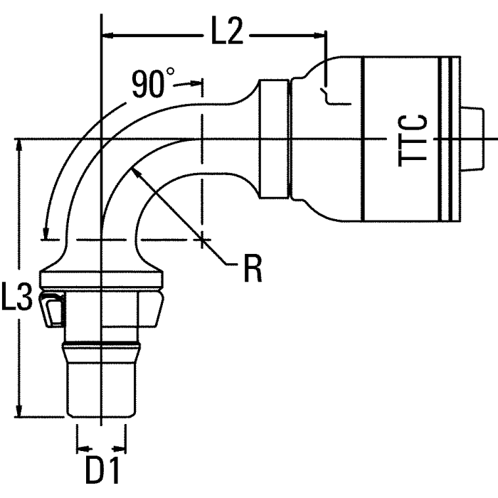
Global TTC 1 & 2 Wire Braid Steel Crimp Fittings, Male STC (Snap To Connect), 90 deg Elbow

Products