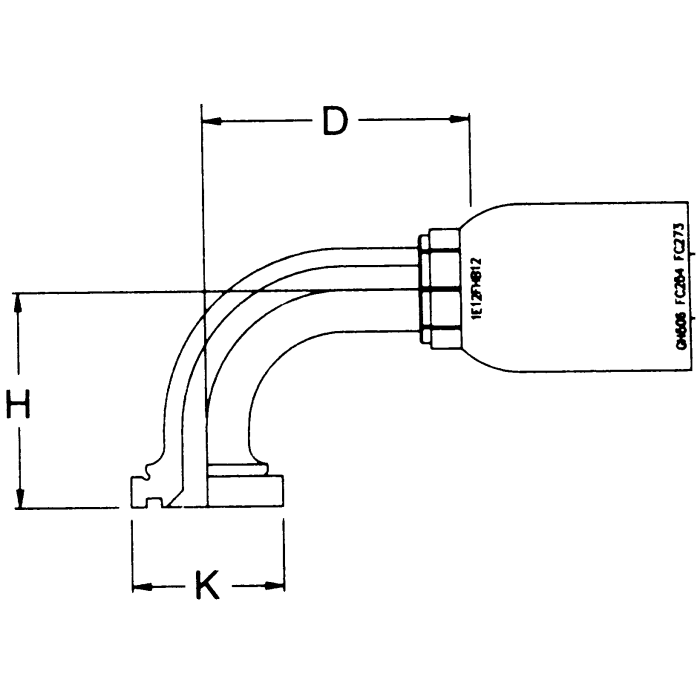
Spiral TTC Steel Crimp Fittings, Code 62 Split Flange, 90 deg Elbow

Products