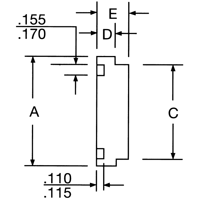
Steel SAE Code 62 4-Bolt Flange Plugs

Products