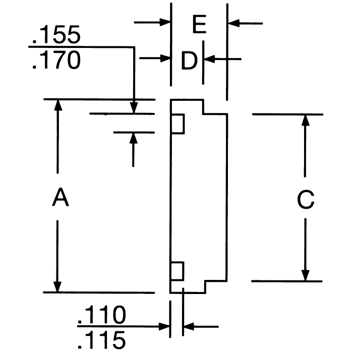
Steel SAE Code 61 4-Bolt Flange Plugs

Products