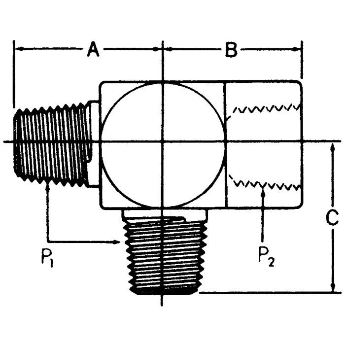
Steel Adapters, Male NPT Run & Branch To Female NPT Run, Tee

Products