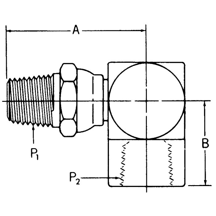
Steel Adapters, Male NPT Swivel To Female NPT, 90 deg Elbow

Products