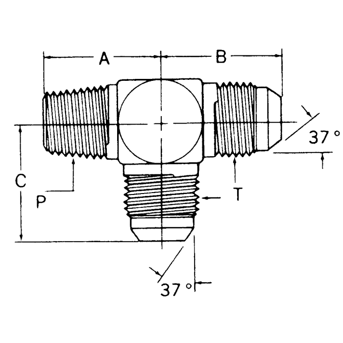
Steel Adapters, Male NPT Run To Male JIC 37 deg Flare Run & Branch, Tee

Products