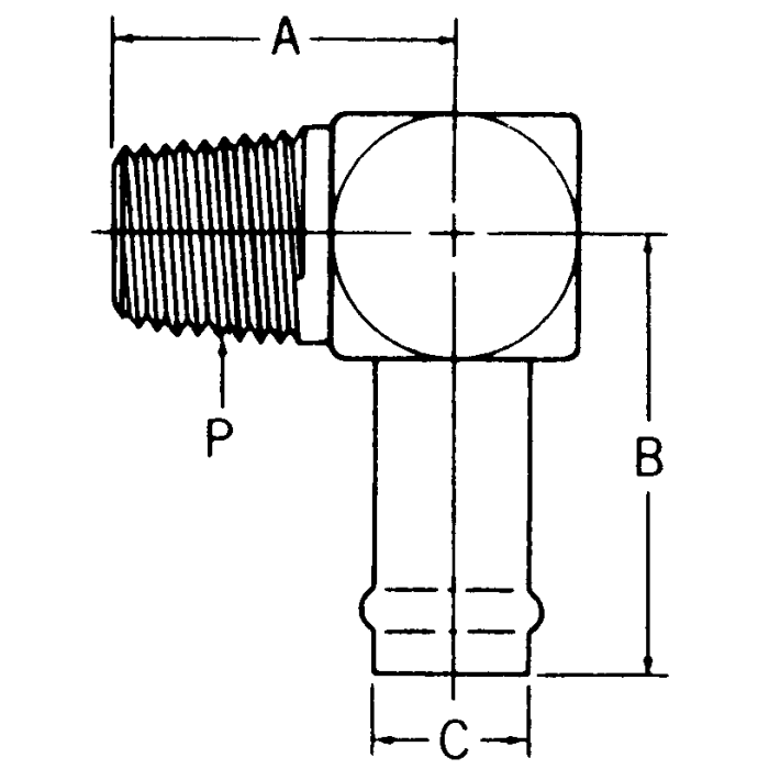
Steel Adapters, Male NPT To Hose Barb, 90 deg Elbow

Products