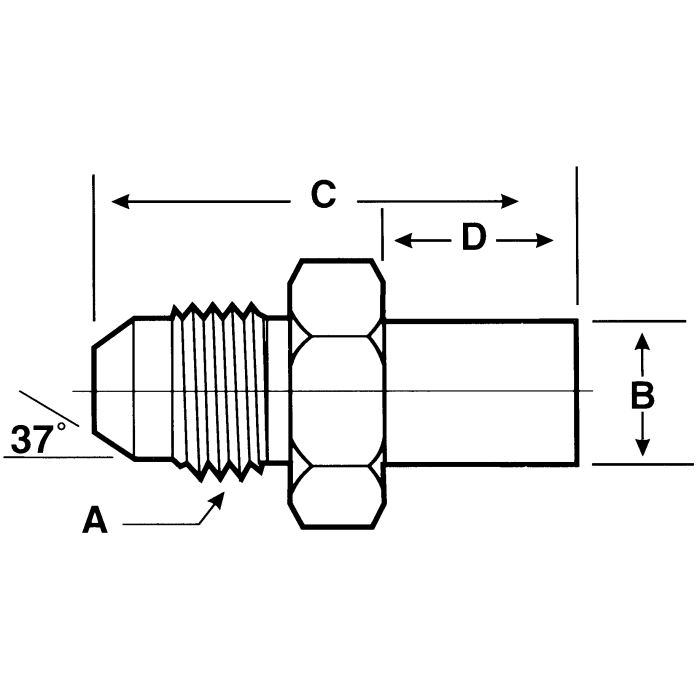
Steel Adapters, Male JIC 37 deg Flare To Metric Stand Pipe, Straight

Products