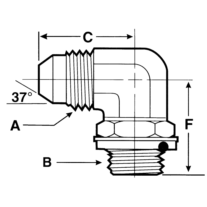
Steel Adapters, Male JIC 37 deg Flare To Male Metric Thread, 90 deg Elbow

Products