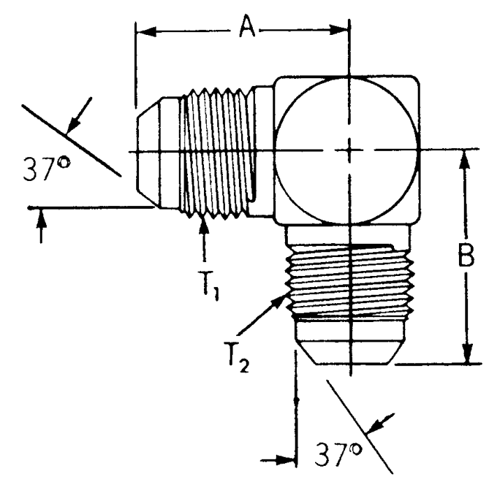
Steel Adapters, Male JIC 37 deg Flare To Male JIC 37 deg Flare, 90 deg Elbow

Products