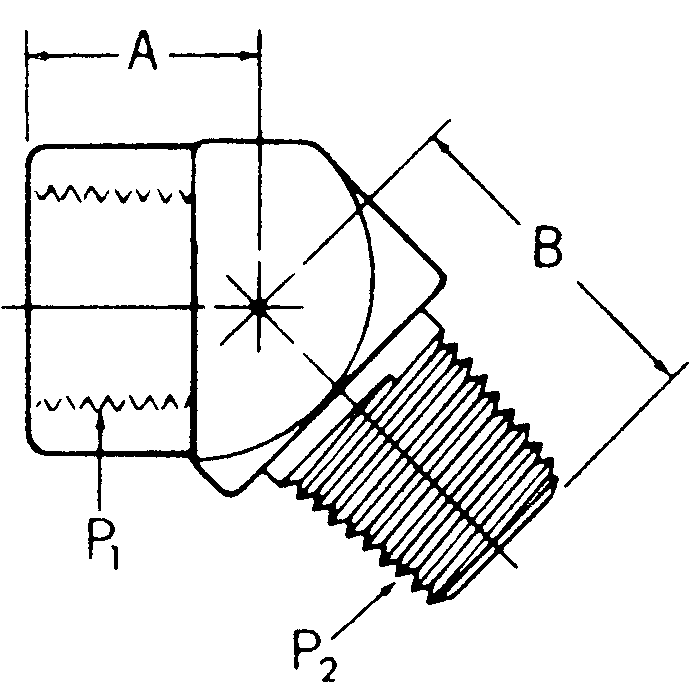
Steel Adapters, Female NPT To Male NPT, 45 deg Elbow

Products