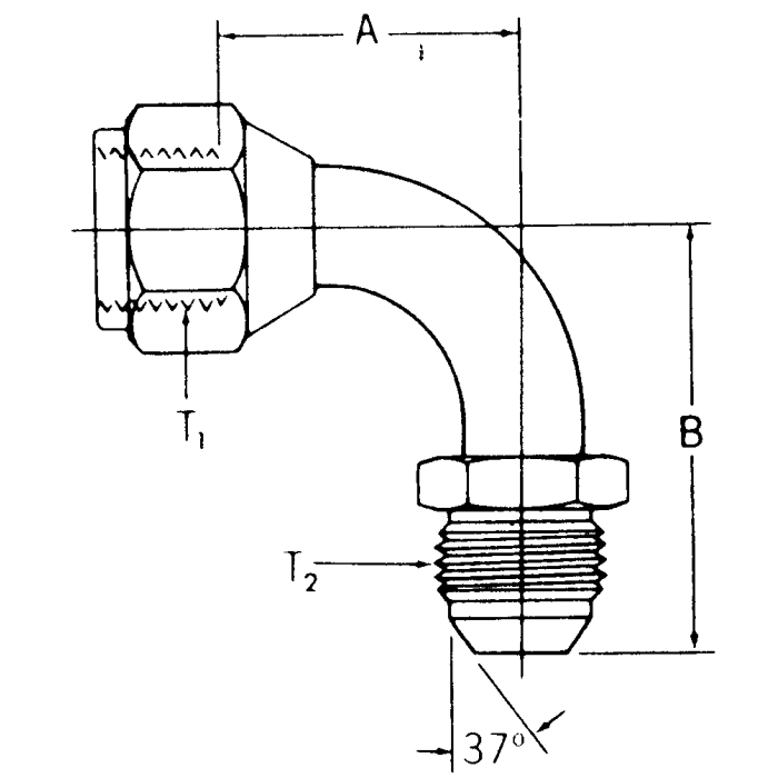
Steel Adapters, Female JIC 37 deg Flare Swivel To Male JIC 37 deg Flare, 90 deg Bent Tube (For pressures thru 4 Light Spiral Hose)

Products