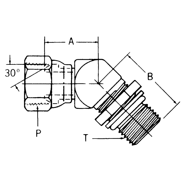
Steel Adapters, Female NPT Swivel To Male SAE O-Ring Boss (Straight Thread O-Ring), 45 deg Elbow

Products