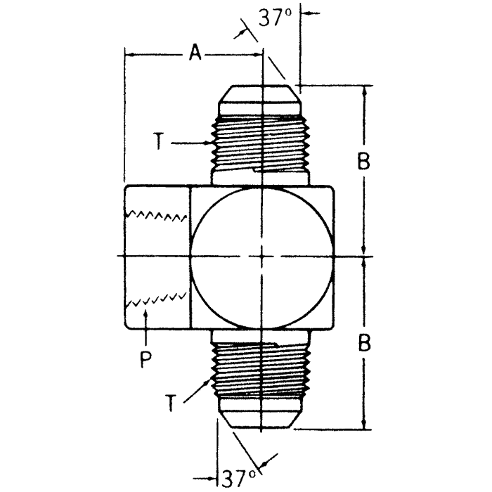
Steel Adapters, Female NPT Branch To Male JIC 37 deg Flare Run, Tee

Products