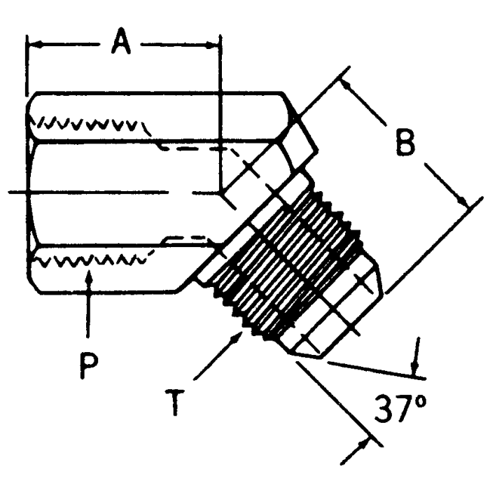
Steel Adapters, Female NPT To Male JIC 37 deg Flare, 45 deg Elbow

Products