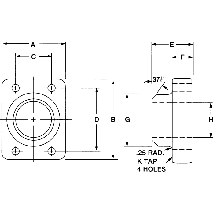
Steel SAE 4-Bolt Flange Adapters, Code 62 Flange, Flat Face Half To Pipe, Butt Weld

Products