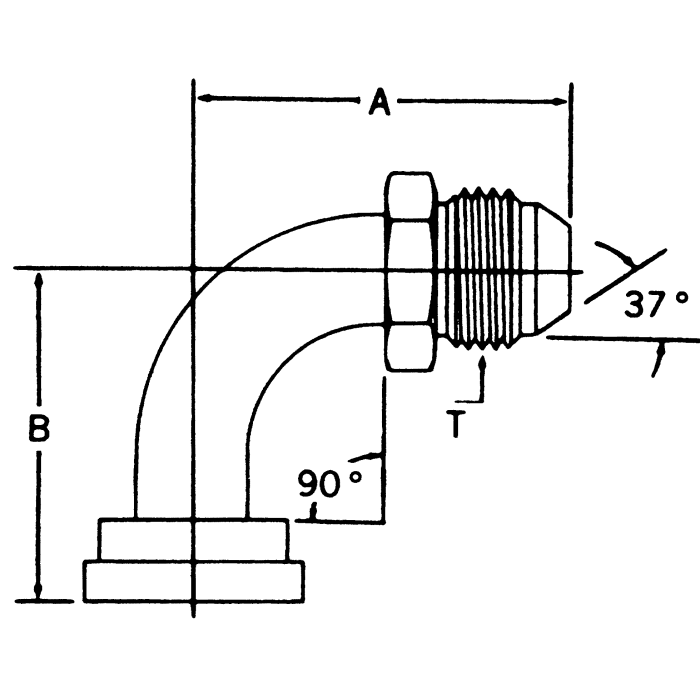
Steel Adapters, Code 62 Split Flange To Male JIC 37 deg Flare, 90 deg Elbow (For pressures thru 6 Spiral Hose)

Products