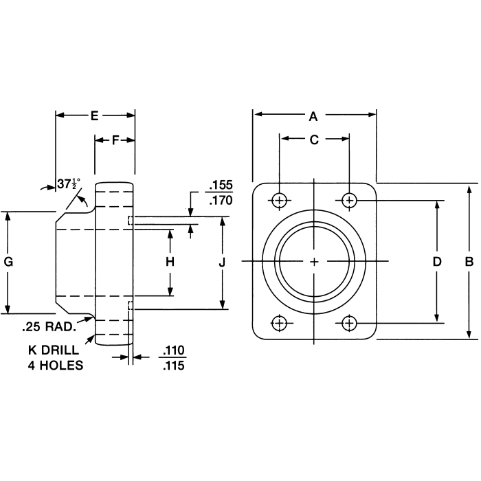
Steel SAE 4-Bolt Flange Adapters, Code 62 Flange, O-Ring Half To Pipe, Butt Weld

Products