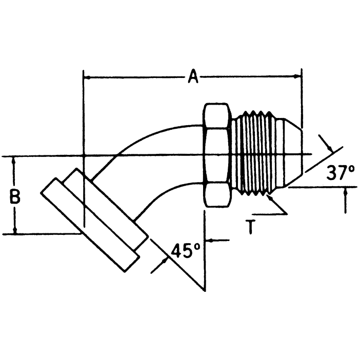
Steel Adapters, Code 62 Split Flange To Male JIC 37 deg Flare, 45 deg Elbow

Products