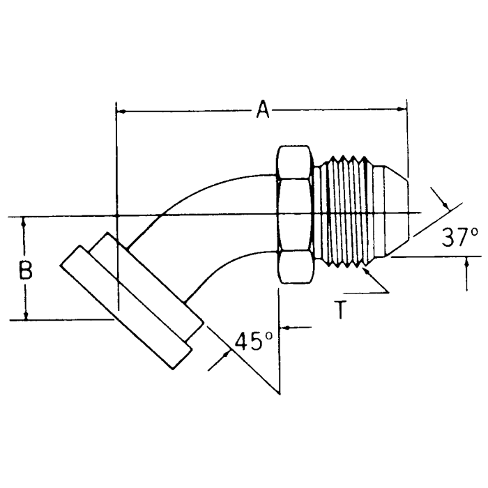
Steel Adapters, Code 61 Split Flange To Male JIC 37 deg Flare, 45 deg Elbow (For pressures thru 4 Light Spiral Hose)

Products