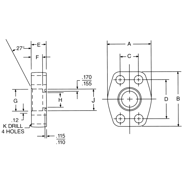
Steel 4-Bolt Flange Adapter, Inch Code 61 Flange, O-Ring Half To Inch Female NPT, Straight

Products