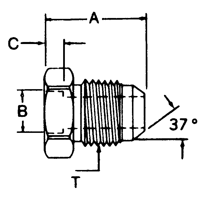
Steel Adapters, Braze Port To Male JIC 37 deg Flare, Straight

Products