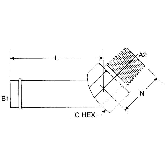
Steel Adapters, Hose Barb To Male NPT, 45 deg Elbow

Products