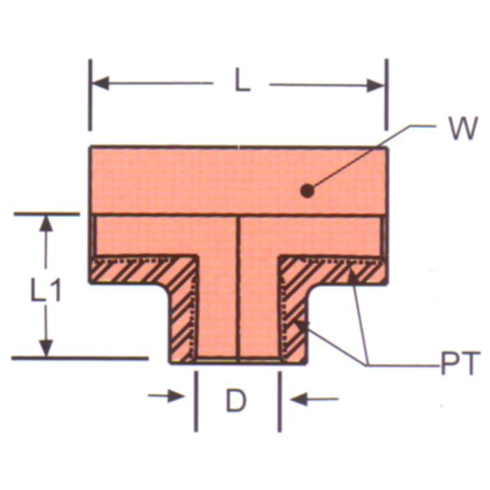
Stainless Steel Female NPT Tees

Products