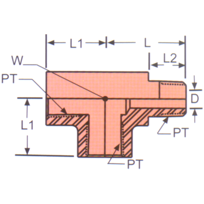
Stainless Steel Adapters, Male NPT Run To Female NPT Run & Branch, Tee

Products