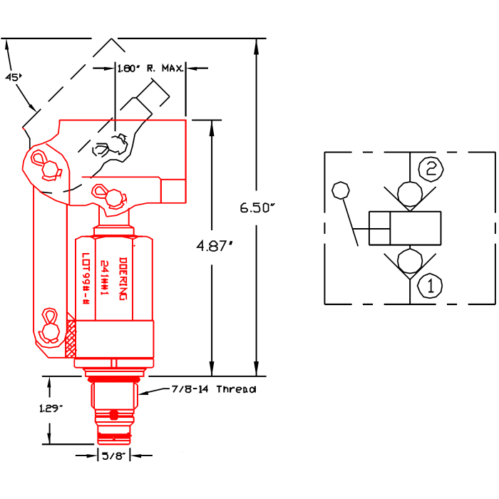
Series 241 Cartridge Hand Pumps

Housing

C-10-2.

Installation

Lubricate seals, using 1-1/4 wrench torque to approximately 50 foot pounds. Socket may be rotated 360° for handle positioning.

Performance and Operation

Maximum Operating Pressure: 5000 psi; Maximum Handle Torque: 80 ft.-lbs.; Displacement: 0.601 cu. in. per stroke.

Products