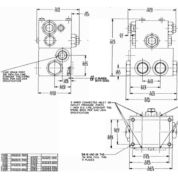
Hydrostatic Hot Oil Shuttle Valves

Group Description

Eaton hot oil shuttle includes (2) high pressure reliefs, shuttle valve and low pressure relief

Flow Rating

up to 88 GPM

Maximum Operating Pressure

up to 6500 PSI

Recommended Filtration

ISO 4406 Cleanliness Level 18/13 or cleaner

System Temperature

180°F Normal Continous Limit, 220°F Maximum Intermittent

Products