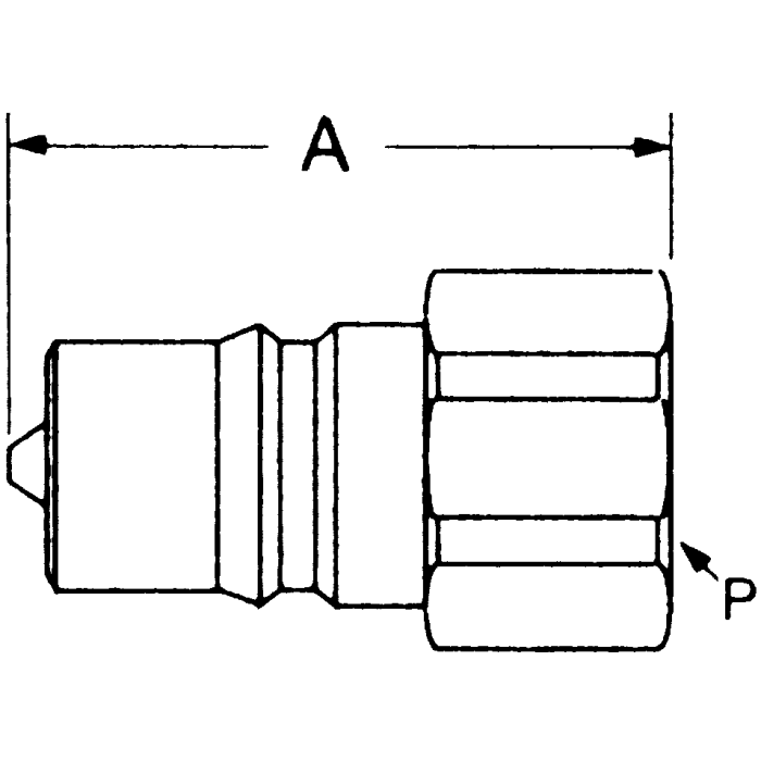
HK Series Industrial Interchange Series B Brass Hydraulic Quick Disconnects, Male Half, Female NPT

Products