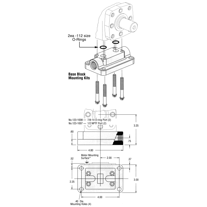
H & S Series Base Block Mounting Kits

Products