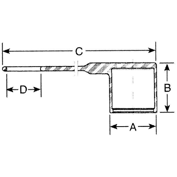
FF Series Flush Face Hydraulic Tool Quick Disconnects Dust Caps, Female Half

Products