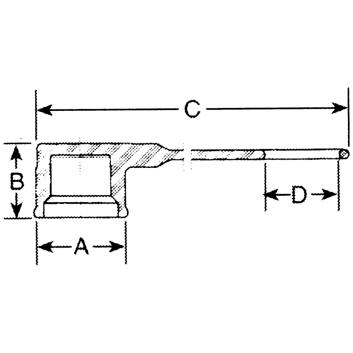
FF Series Flush Face Hydraulic Tool Quick Disconnects Dust Caps, Male Half

Products