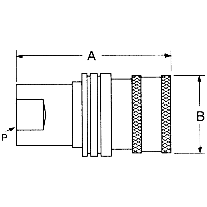
FD72 Series Connect Under Pressure Hydraulic Farm Quick Disconnects, Female Half, Female NPT

Products