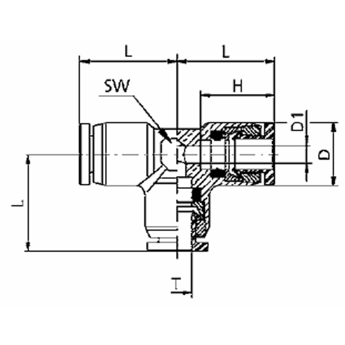
Brass Push Tube Union Tees

Products