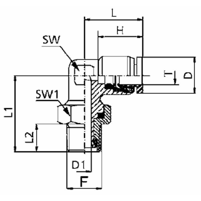
Brass Push Tube Fittings, Tube To Male NPT Swivel, 90 deg Elbow

Products