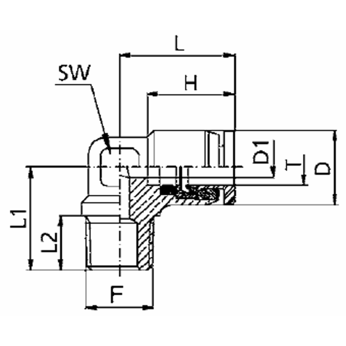
Brass Push Tube Fittings, Tube To Male NPT, 90 deg Elbow

Products