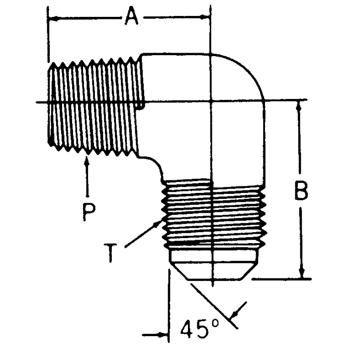
Brass Adapters, Male NPT To Male SAE 45 deg Flare, 90 deg Elbow

Products