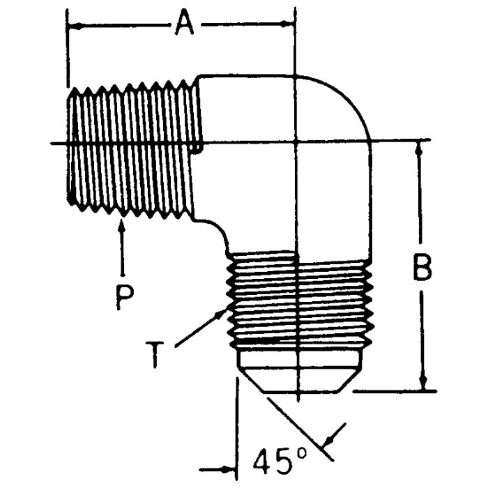
Brass Adapter, 1/2-14 Male NPT To 7/16-20 Male SAE 45 deg Flare, 90 deg Elbow

Alternate Part Numbers
Alternate Part Number C1BG61, Alternate Part Number MI-08754458, Alternate Part Number MINO-01769X80117
Brand
ACR Industries
Brand
ACR Industries
Pack Size
1.00
UOM
EA
Supplier Part Number
249X4X8
Thread 1
1/2-14
Thread 2
7/16-20
Thread Sealant
No
Tube O.D.
0.25
Tube O.D.
0.25
Product Weight
0.10 lbs

Product Questions & Answers

trying to replace an elbow adapter i got, is this the one that goes from 1/2-14 male npt over to 7/16-20 male flare?
Question by: Kurt J on May 12, 2025, 1:54 PM
Match it up by the thread callouts. One end is 1/2-14 male NPT, and the other end is a 7/16-20 male SAE 45 degree flare. It is a 90 degree elbow style, so it makes that turn between the two connections.
Answer by: Customer Support on May 14, 2025, 8:58 AM
does this thing have a 90 degree bend to it, or is it straight? trying to figure out if it'll work coming off a tight spot on my fittings
Question by: Marvin B on Jan 7, 2026, 10:31 AM
it's a 90 degree elbow configuration. One end is 1/2-14 male NPT and the other is 7/16-20 male SAE 45 degree flare, so the two connections come off at a right angle to each other. That makes it a solid choice when you're working in a cramped area and a straight adapter just won't give you the routing you need.
Answer by: Customer Support on Jan 8, 2026, 8:27 PM
So this elbow fitting, it's got two different thread sizes, right? Just makin' sure before I order.
Question by: Dustin M on May 16, 2025, 4:25 PM
That's correct. This elbow adapter features a 1/2-14 Male NPT on one end and a 7/16-20 Male SAE 45-degree Flare on the other.
Answer by: Customer Support on May 18, 2025, 9:03 AM

Similar Products

Model Number Tube O.D. Thread 1 Thread 2 A B Price Buy Now
249X10X12 0.63 3/4-14 7/8-14
249X4X8 0.25 1/2-14 7/16-20
249X5X6 0.38 3/8-18 1/2-20
249X8X12 0.5 3/4-14 3/4-16
NP10-294F 0.38 1/4-18 5/8-18 0.88 1
NP10-299F 0.5 3/8-18 3/4-16 1.12 1.22