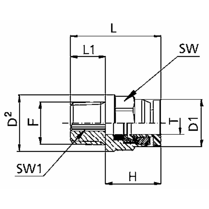
Brass Push Tube Fittings, Tube To Male NPT, Straight

Products