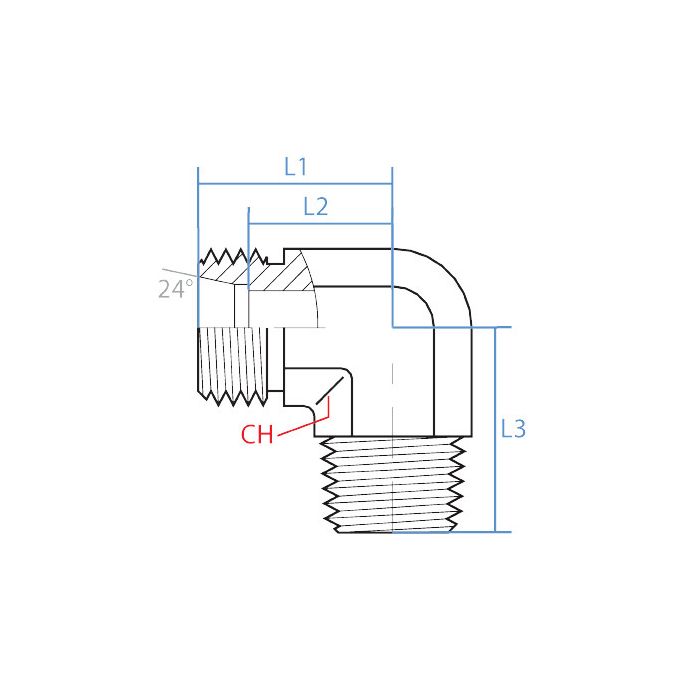
90* Din X Male Npt

CH Width
24mm
L1 Length
33mm
L2 Length
24.5mm
L3 Length
33mm
Adaptall Material
Steel
Adaptall Shape
90° Elbow
Side 1 Callout
M24 X 1.5
Side 1 Gender
M
Side 1 Size
S16
Side 1 Type
Din Tube
Side 2 Callout
1/2 - 14 NPTF
Side 2 Gender
M
Side 2 Size
1/2"
Side 2 Type
Npt
Brand
Adaptall America
Brand
Adaptall
Pack Size
1.00
UOM
EA
Supplier Part Number
5070S-16-08
Product Weight
0.33 lbs

Product Questions & Answers

trying to swap a fitting out, is this one the 90 degree elbow with M24 x 1.5 on one side and 1/2-14 NPTF male on the other?
Question by: Patty G on Aug 27, 2025, 7:34 AM
On the DIN tube side, it is a male M24 x 1.5 with an S16 size. The other end is a 1/2 inch male NPT with a 1/2-14 NPTF callout, and the body is a 90 degree elbow in steel.
Answer by: Customer Support on Aug 28, 2025, 7:13 PM
what size is the NPT end on this fitting, and is it male or female?
Question by: Rex M on Jan 18, 2026, 11:09 AM
Male 1/2 inch NPT on that end, with a 1/2-14 NPTF thread callout. So it'll thread directly into a female NPT port without any adapters in between.
Answer by: Customer Support on Jan 19, 2026, 7:01 PM